Résumé du produit
| Pompe solaire série RVE35 VFD | | |
| | ENTRÉE CC/AC | |
| | Conception raffinée | |
| | MPPT | |
| Paramétrique | ||
| Modèle | RVE35-T3-0R7GB ~ RVE35-T3-4GB |
| Tension | Entrée 350 V CC à 800/900 V CC, entrée triphasée 380 V CA à 440 V CA | |
| Valeur P (kW) | 0,75/1,5/2,2/4 | |
| Courant nominal (A) | 2,5/3,7/5/10/13 | |
| MPPT Vmp/Voc | 540/660 | |
| Dimensions (mm) | 187*86*152 | |
Arrière-plans d'application
| Ces dernières années, avec la gravité croissante du « problème alimentaire » et du « problème énergétique » mondiaux, les pompes à eau solaires ont progressivement été saluées comme des produits d'intégration industrielle efficaces pour résoudre le problème de l'augmentation de la production de terres cultivées efficaces et du remplacement de l'énergie fossile par de l'énergie propre. En conséquence, un modèle économique émergent est né dans lequel l’industrie solaire s’est développée en combinaison avec des industries traditionnelles telles que la conservation de l’eau agricole, le contrôle du désert, l’utilisation domestique de l’eau et l’aménagement aquatique urbain. |
Caractéristiques du produit
• Suivi du point de puissance maximal (MPPT) avec vitesse de réponse rapide et fonctionnement stable
• Protection contre la marche à sec (sous charge)
• Protection du courant maximum du moteur
• Protection de l'alimentation d'entrée
• Protection contre les basses fréquences d'arrêt
• La courbe de performance PQ (puissance/débit) permet de calculer le débit de sortie de la pompe.
• Commande numérique pour un fonctionnement entièrement automatique, un stockage de données et des fonctions de protection
• Module d'alimentation intelligent (IPM) pour le circuit principal
• Panneau de commande à affichage LED et prise en charge de la télécommande
• Une entrée d'alimentation CA et CC double mode est disponible
• Capteur de sonde de niveau d'eau faible et fonction de contrôle du niveau d'eau
• Température ambiante d'utilisation : -10 à 50 ˚C.
| Conception raffinée Zone d'installation réduite de 50% Volume réduit de 30% | |
| | La machine de revêtement de peinture entièrement automatique à trois épreuves est utilisée pour épaissir la couche protectrice du circuit imprimé, empêchant efficacement les dommages du circuit imprimé causés par la poussière du vent, les gaz corrosifs et l'air humide. |
| | Adoptez un équipement de détection entièrement automatique pour tester divers indicateurs électriques et fonctions de protection des produits sous charge nominale. |
| | Tous les produits finis sont vieillis sous charge pendant 48 heures à une température élevée de 60 degrés, puis tous les indicateurs électriques sont testés sous charge, afin de réduire le taux de défaillance du produit. |
Nomenclature du modèle
Série générale de type S2 :
Entrée Vmp 310VDC ou 220VAC, sortie 1/3 phase 0-220VAC
| Modèle | Courant nominal ( A ) | Tension de sortie ( VAC ) | Applicable pour la pompe de puissance (kW) | Externe à la taille du disque H*L*P (mm) | MPPT Vmp/Voc |
| RVE35-S2-0R7G | 4 | 0-220 | 0.75 | 187*86*152 | 310/372 |
| RVE35-S2-1R5G | 7 | 0-220 | 1.5 | ||
| RVE35-S2-2R2G | 10 | 0-220 | 2.2 | ||
| RVE35-S2-3G | 13 | 0-220 | 3 | 265*105*164 | |
| RVE35-S2-4G | 16 | 0-220 | 4 |
Série générale de type T3 :
Entrée Vmp540 à 650VDC ou 380 à 460VAC, sortie triphasée 0-380/460VAC
| Modèle | Courant nominal ( A ) | Tension de sortie ( VAC ) | Applicable pour la pompe de puissance (kW) | Externe à la taille du disque H*L*P (mm) | MPPT Vmp/Voc |
| RVE35-T3-0R7GB | 2,5/3,7 | 0-380/440 | 0.75 | 187*86*152 | 540/660 |
| RVE35-T3-1R5GB | 3,7/5 | 0-380/440 | 1.5 | ||
| RVE35-T3-2R2GB | 5/10 | 0-380/440 | 2.2 | ||
| RVE35-T3-4GB | 10/13 | 0-380/440 | 4.0 | ||
| RVE35-T3-5R5GB | 13/16 | 0-380/440 | 5.5 | 265*105*164 | |
| RVE35-T3-7R5GB (boîtier en plastique) | 16/25 | 0-380/440 | 7.5 | ||
| RVE35-T3-7R5GB (Caisse en fer) | 16/25 | 0-380/440 | 7.5 | 333*150*216 | |
| RVE35-T3-11GB | 25/32 | 0-380/440 | 11 | ||
| RVE35-T3-15GB | 32/38 | 0-380/440 | 15 | ||
| RVE35-T3-18GB | 38/45 | 0-380/440 | 18 | 383*180*228 | |
| RVE35-T3-22GB | 45/60 | 0-380/440 | 22 | ||
| RVE35-T3-30GB | 60/75 | 0-380/440 | 30 | 435*175*265 | |
| RVE35-T3-37GB | 75/90 | 0-380/440 | 37 | ||
| RVE35-T3-45G | 90/110 | 0-380/440 | 45 | 670*265*358 | |
| RVE35-T3-55G | 110/150 | 0-380/440 | 55 | ||
| RVE35-T3-75G | 150/170 | 0-380/440 | 75 | ||
| RVE35-T3-90G | 170/210 | 0-380/440 | 90 | 845*305*358 | |
| RVE35-T3-110G | 210A/250 | 0-380/440 | 110 | ||
| RVE35-T3-132G | 250A/300 | 0-380/440 | 132 | ||
| RVE35-T3-160G | 300A/340 | 0-380/440 | 160 | 788*500*360 | |
| RVE35-T3-185G | 340/380 | 0-380/440 | 185 | ||
| RVE35-T3-200G | 380/415 | 0-380/440 | 200 | 900*540*358 | |
| RVE35-T3-220G | 415/470 | 0-380/440 | 220 | ||
| RVE35-T3-250G | 470/520 | 0-380/440 | 250 | ||
| RVE35-T3-280G | 520/600 | 0-380/440 | 280 | 1035*620*400 | |
| RVE35-T3-315G | 600/680 | 0-380/440 | 315 | ||
| RVE35-T3-355G | 680/750 | 0-380/440 | 355 | 1290*780*410 | |
| RVE35-T3-400G | 750/810 | 0-380/440 | 400 |
Excellentes performances
| | Contrôle vectoriel haute performance pour améliorer la précision des équipements |
| La fréquence de sortie maximale sous contrôle vectoriel atteint 1 500 Hz, ce qui permet d'obtenir une sortie de vitesse de haute précision dans la plage de régulation de vitesse magnétique 10 fois faible. | |
| | |
| | Entraînement parfait pour les moteurs synchrones |
| Forme d'onde actuelle du moteur synchrone en mode de contrôle vectoriel en boucle ouverte à 500 Hz avec une charge nominale de 100 %. | |
| | |
| | Conception de dissipation thermique fiable |
| La technologie de conception indépendante à double conduit d'air permet d'utiliser l'entraînement de la pompe solaire avec une température annulaire de 50 ℃ sans réduction de capacité. |
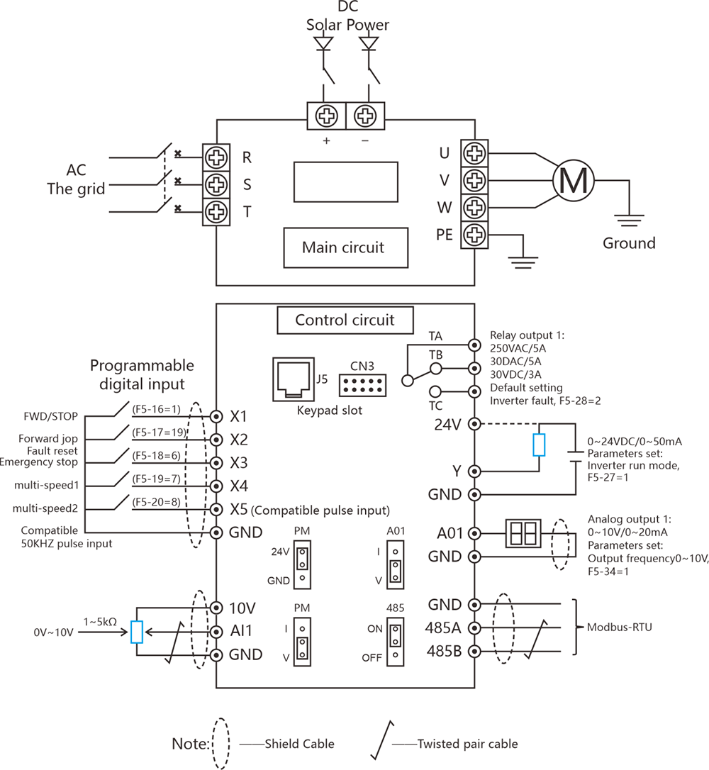
Schéma de câblage
Pour les produits RVE35 0,75 kW-7,5 kW, veuillez noter ce qui suit :
1. Le produit ne contient pas de bornes d'entrée logiques X6 et X7 ;
2. Le produit comprend uniquement 1 entrée analogique, 1 sortie analogique et 1 sortie relais










































